

Freedom to Cut. Power to Create.
MachPro Router Control is built for shops that make ideas tangible — fast.
Designed for 3- to 6-axis routers, MachPro delivers the performance of a high-end control without the cost or complexity.
Whether you’re running nested-based cabinet production, 3D carving, or high-speed sign making, MachPro gives you smoother motion, faster setup, and total freedom to use the tools, software, and hardware you prefer.
Why Choose MachPro
Spend your time building your business or creating your designs, not figuring out how to run your CNC control. MachPro keeps you cutting — not lost in setup.
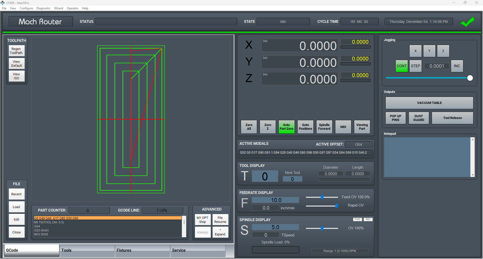
File Resume
Restart precisely where you left off after a stop or power loss.
2-Click Navigation
Access any screen in two clicks or less. No digging through menus — just fast, intuitive control.
Simple Tool Management
Automatic tool changers and tool setters streamline operation.
Customize MachPro to fit how you run your shop — not the other way around
- Add on-screen tools like a calculator or custom job widgets.
- Place your favorite functions directly on the main screen.
- Configure the screen in just 5 clicks — no coding, no hassle.
Automatic Tool Setter
Effortlessly measure tool length automatically
Probing
Find your workpiece zero efficiently
Barcode Scanner Integration
Automatically load your jobs into the control
Integrated Machine Options
Vacuum tables, tool changers, 4th axis rotary table, etc.
Your Machine Your Build
Cad/CAM Integration
MachPro runs Fanuc-style G-Code, making it compatible with leading CAM packages.
Check with your CAD/CAM provider for available MachPro post processors.
Logos of CadCAM packages
- VCarve
- Alphcam
- Mozaick
- Fusion 360
- Aspire
- EnRoute
Ready to Cut with Confidence?
Experience the precision, flexibility, and freedom of MachPro CNC Router Control — built for makers, woodworkers, and manufacturers who demand smooth motion, perfect finishes, and total reliability in every project.
